執行元件 — MB系列標準氣缸
訂貨型號

規格
| 缸徑(mm) | 32 | 40 | 50 | 63 | 80 | 100 | 125 |
| 使用流體 | 空氣 | ||||||
| 動作方式 | 雙作用 | ||||||
| 最高使用壓力 | 1.OMPa | ||||||
| 最低使用壓力 | 0.05MPa | ||||||
| 環境和流體溫度 | 無磁性開關:-10~+70℃,帶磁性開關:-10r~+60℃ | ||||||
| 活塞速度mm/s | 50-1000 | 50-700 | |||||
| 緩沖 | 兩側氣緩沖 | ||||||
| 行程公差mm | ~250:+1.00 251~1000:+1.40 1001~1500:+1.80 | ||||||
| 給油* | 不需要 | ||||||
| 接管口徑Rc | 1/8 | 1/4 | 1/4 | 3/8 | 3/8 | 1/2 | 1/2 |
*如給油,請用透平1號油ISOVG32。
行程/磁性開關型號表
| 缸徑(mm) | 最大行程(mm)注1) | 磁性開關型號(mm)注2) 拉桿安裝 | 磁性開關安裝件 |
| 32 | 25,50,75,100,125,150,175,200,250,300, 350,400,450,500 | 773, Z76, Y59A,Y59BY7NW, Y7BA, | BMB4-032 |
| 40 | |||
| 50 | 25,50,75100,125,150,175,200,250,300, 350,400,450,500,600 | BMB4-050 | |
| 63 | |||
| 80 | 25,50,75,100,125,150,175,200,250,300, 350,400,450,500,600,700,800 | BA4-060 | |
| 100 | |||
| 120 | BA4-080 |
注1): 有非標準行程。
注2): 導線長度記號:無記號-0.5m, L-3m, Z-5m
基本型

| 缸徑 (mm) | 行程范圍 (mm) | 螺紋有效長度 | A | □B | □C | ΦD | ΦE | F | G | MA | MB | J | K | MM | N | P | S | V | W | H | ZZ |
| 32 | -500 | 19.5 | 22 | 46 | 32.5 | 12 | 30 | 13 | 13 | 16 | 4 | M6×1.0 | 6 | M10×1.25 | 27 | 1/8 | 84 | 4 | 6.5 | 47 | 135 |
| 40 | -500 | 27 | 30 | 52 | 38 | 16 | 35 | 13 | 14 | 16 | 4 | M6×1.0 | 6 | M14×1.5 | 27 | 1/4 | 84 | 4 | 9 | 51 | 139 |
| 50 | -600 | 32 | 35 | 65 | 46.5 | 20 | 40 | 14 | 15.5 | 16 | 5 | M8×1.25 | 7 | M18×1.5 | 31.5 | 1/4 | 94 | 5 | 10.5 | 58 | 156 |
| 63 | -600 | 32 | 35 | 75 | 56.5 | 20 | 45 | 14 | 16.5 | 16 | 5 | M8×1.25 | 7 | M18×1.5 | 31.5 | 3/8 | 94 | 9 | 12 | 58 | 156 |
| 80 | -800 | 37 | 40 | 95 | 72 | 25 | 45 | 20 | 19 | 16 | 5 | M10×1.5 | 10 | M22×1.5 | 38 | 3/8 | 114 | 11.5 | 14 | 72 | 190 |
| 100 | -800 | 37 | 40 | 114 | 89 | 30 | 55 | 20 | 19 | 16 | 5 | M10×1.5 | 10 | M26×1.5 | 38 | 1/2 | 114 | 17 | 15 | 72 | 190 |
| 125 | -1000 | 50 | 54 | 136 | 110 | 32 | 60 | 27 | 19 | 20 | 6 | M12×1.75 | 13 | M27×2.0 | 38 | 1/2 | 120 | 17 | 15 | 97 | 223 |
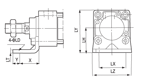
腳座型

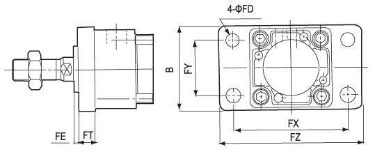
法蘭型

| 缸徑 (mm) | 腳座 | 法蘭 | |||||||||||||||||
| 零件號 | X | Y | ΦLD | LH | LS | LT | LX | LY | LZ | zz | 零件號 | B | ΦFD | FE | FT | FX | FY | FZ | |
| 32 | MB-L03 | 22 | 9 | 7 | 30 | 128 | 3.2 | 32 | 53 | 50 | 162 | MB-F03 | 50 | 7 | 3 | 10 | 64 | 32 | 79 |
| 40 | MB-L04 | 24 | 11 | 9 | 33 | 132 | 3.2 | 38 | 59 | 55 | 170 | MB-F04 | 55 | 9 | 3 | 10 | 72 | 36 | 90 |
| 50 | MB-L05 | 27 | 11 | 9 | 40 | 148 | 3.2 | 46 | 72.5 | 70 | 190 | MB-F05 | 70 | 9 | 2 | 12 | 90 | 45 | 110 |
| 63 | MB-L06 | 27 | 14 | 12 | 45 | 148 | 3.6 | 56 | 82.5 | 80 | 193 | MB-F06 | 80 | 9 | 2 | 12 | 100 | 50 | 120 |
| 80 | MB-L08 | 30 | 14 | 12 | 55 | 174 | 4.5 | 72 | 102.5 | 100 | 230 | MB-F08 | 100 | 12 | 4 | 16 | 126 | 63 | 153 |
| 100 | MB-L10 | 32 | 16 | 14 | 65 | 178 | 5 | 89 | 122 | 120 | 234 | MB-F10 | 120 | 14 | 4 | 16 | 150 | 75 | 178 |
| 125 | MB-L12 | 45 | 20 | 14 | 81 | 210 | 8 | 90 | 149 | 136 | 282 | MB-F12 | 138 | 14 | 7 | 20 | 180 | 102 | 213 |
單耳環型

| 缸徑 (mm) | 單耳環 | |||||
| 零件號 | L | RR | U | ΦCD | CX | |
| 32 | MB-C03 | 23 | 10.5 | 13 | 10 | 14 |
| 40 | MB-C04 | 23 | 11 | 13 | 10 | 14 |
| 50 | MB-C05 | 30 | 15 | 17 | 14 | 20 |
| 63 | MB-C06 | 30 | 15 | 17 | 14 | 20 |
| 80 | MB-C08 | 42 | 23 | 26 | 22 | 30 |
| 100 | MB-C10 | 42 | 23 | 26 | 22 | 30 |
| 125 | MB-C12 | 50 | 28 | 30 | 25 | 32 |